Isometric drawing is commonly used in engineering, architecture and related fields. Isometric drawings (isometric projections) are often used by designers, engineers, and illustrators who specialize in technical drawings. Isometric drawing is commonly used in engineering, architecture and related fields.
Piping Isometric Drawing Exercises Pdf at Explore
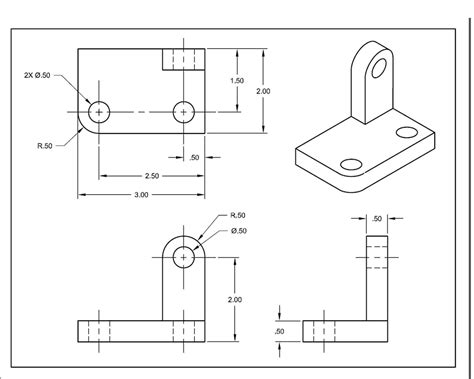
A complete understanding of the object should be possible from the drawing. Part ii overview and objective. By doing this, you'll have a chance to learn even more about the contents of this quiz and worksheet.
Simple and easy isometric drawing tool:
Visit byju's to get complete information about the isometric drawing of cube, cuboid, along with rules, uses and. See more ideas about isometric drawing, isometric drawing exercises, drawing exercises. You can shift, rotate, color, decompose, and view in 2‑d. A 2d isometric drawing, which may be created from an isometric projection, is a flat representation of a 3d isometric projection.
In this post we collected 8 isometric drawing exercises that may help to improve your skill. Given the orthographic sketches shown of the two objects in 1 and 2, make isometric sketches of each object to the same scale as the object shown. As a result, existing autocad commands such as line and copy are used for. The most important thing you can do to accurately draw a shape on a 3d grid is to take.
How to draw ISOMETRIC PROJECTIONS Technical Drawing Exercise 12
### If an isometric projection is drawn with true measurements but not with isometric scale then the drawings are called ____________.
Start by inserting a cube on the. Paper marked with an isometric grid is useful for creating a 2d representation of a 3d shape. Pupils learn about plan, front and side elevations and how to draw objects on isometric paper. Isometric sketch is a pictorial representation of an object.
Use this interactive tool to create dynamic drawings on isometric dot paper. What is an isometric drawing? In this post we collected 8 isometric drawing exercises that may help to improve your skill. Play, draw and conceive nice isometric designs, directly in the browser.
Isometric Drawing Exercises With Dimensions Pdf terezdayse
### An isometric drawing of a cube is the most.
Put our lesson, what is an isometric drawing? These types of drawings resemble a picture of an object that is drawn in two dimensions. Any engineering drawing should show everything: Draw figures using edges, faces, or cubes.
Isometric Drawing With MeasurementsPiping Isometric Drawing Exercises Pdf at ExploreIsometric And Orthographic Drawing Worksheets at GetDrawings FreeIsometric Exercise Using Isometric TempleteIsometric Drawing Exercise Isometric draw … Isometric drawingPiping Isometric Drawing Exercises Pdf at GetDrawings Free download17+ Isometric Drawing Exercise Examples in 2021Isometric Drawings With Dimensions